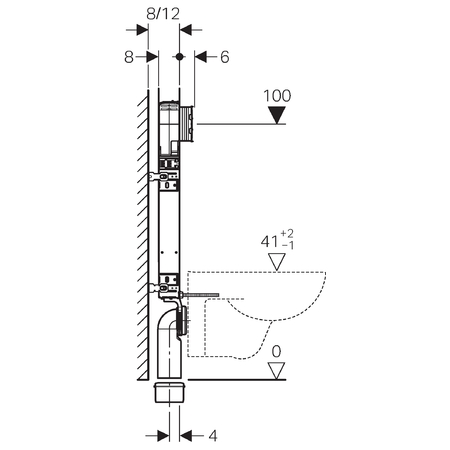
Montažni element Geberit Kombifix za stenski/konzolni
WC, vgradna višina elementa 109 cm, s podometnim
splakovalnikom Sigma 8 cm
Za predstensko ali stensko masivno vzidavo, možna
obzidava pred elementom od 2-5 cm
– montažni okvir površinsko obdelan s praškanjem
– podometni splakovalnik Sigma 8cm (serija 2016)
z dvokoličinsko splakovalno tehniko 3/6 l
Element je sestavljen iz:
– kovinskega U profila, površinsko obdelanega
s praškanjem
– izoliranega podometnega WC splakovalnika
Sigma 8 cm (serija 2016)
– štirih pritrdilnih sponk
– dveh navojnih palic z maticama M12 za pritrditev školjke
z osno razdaljo 18 ali 23 cm
– univerzalnega priključka za vodo 1/2″ ZN, vključno
s kotnim ventilom
– po globini prilagodljive gradbene zaščite za revizijsko
odprtino na zatik brez uporabe orodja, primerne za
površinsko izravnane aktivirne tipke (Sigma60)
– zvočne izolacije
– pritrditve odtoka na zaskok
– PE stenskega odtočnega kolena Ø 90/90 mm
– PE priključne garniture Ø 90 mm
– garniture manšet
– cevi za izvedbo priključka vode za Geberit AquaClean
– mreže za izdelavo ometa
– pritrdilnega materiala
NA ZALOGI
GEBERIT Kombifix WC Sigma 8cm, H=109cm
327,74 €
Zaloga: Na zalogi
Opis
Dodatne podrobnosti
| Tip | |
|---|---|
| Serija | |
| Podkategorija1 | |
| Podkategorija2 | |
| Podkategorija3 |





